專業制造碳鋼/不銹鋼旋振篩
—免費提供篩分解決方案—

產品介紹: 脫水蔬菜粉旋振篩是"大漢"DH系列旋振篩產品,經客戶多年使用,獲得大量的一線反饋建議,在自有成熟的篩機制造技術基礎上,大漢機械工程師以滿足客戶需
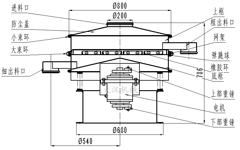
直徑800mm,電機功率是0.55kw
應用范圍:廣泛適用于化工、醫藥、糧食、食品、金屬、冶金、礦業、公害處理等眾多行業的篩選分級過濾生產工藝,以下針對各行業選出一些代表性物料舉例說明脫水蔬菜粉旋振篩適用范圍:
電話:0373-2849 333
蔬菜粉是脫水菜的延伸產品。涵蓋胡蘿卜粉,番茄粉,土豆粉,南瓜粉,紅甜菜粉,菠菜粉,芹菜粉,山藥粉等蔬菜類別。斷奶的嬰幼兒因牙齒的發育不足而無法或不會吃蔬菜,老年人因牙齒不好或脫落而不便吃蔬菜,某些成年人因工作關系或其他原因使蔬菜進食量減少等,所以蔬菜粉在這類人群中具有廣泛的市場。此外,蔬菜粉還是一種純自然的著色劑(胡蘿卜粉,番茄粉,菠菜粉,紅甜菜粉,芹菜粉,南瓜粉等),是加工蔬菜面包、蔬菜面條、特色食品等的絕佳原輔料。

我公司生產制造的脫水蔬菜粉旋振篩本著質量可靠、價格優惠、服務真誠鑄就成為本公司熱銷產品之一,該機兩層三個出料口,機裝實心子母分離式網架,歸屬于常見的輕型旋振篩分設備,三次元旋振篩粉機也是很多地區用戶直接稱呼叫法,脫水蔬菜粉旋振篩采用立式振打電機作為激振源,利用在電機軸上下安裝的兩個不平衡重錘,將電機的旋轉運動轉變為一種復雜的水平、垂直、傾斜的三次元運動,再把這個三次元運動傳遞給篩面,使物料在篩面上做螺旋狀由里向外的漸開線外擴散運動,三次元旋振篩也因此而得名。本公司生產的DH系列脫水蔬菜粉旋振篩可根據客戶不同需求1-5層同時使用,產品型號齊全,可滿足各種粉末、顆粒篩分需要求及液體過濾需求,也可設計為超聲波旋振篩粉機、氣流旋振篩粉機、旋振篩粉機等機型。脫水蔬菜粉旋振篩多采用SUS304不銹鋼或Q235A碳鋼作為主要材質。脫水蔬菜粉旋振篩型號是從φ400-φ1800mm直徑,脫水蔬菜粉旋振篩價格根據材質和直徑大小、層數價格不同。

脫水蔬菜粉旋振篩是"大漢"DH系列旋振篩產品,經客戶多年使用,獲得大量的一線反饋建議,在自有成熟的篩機制造技術基礎上,大漢機械工程師以滿足客戶需求為標準,多次技術改進,篩分效果更加優越,采用"通用"動力激振器,三維動力更加突出,適用范圍更加廣泛,大漢機械公司可根據客戶需求設計特殊型號我公司技術部門總結業內旋振篩設備先進工藝及廣泛汲取用戶反饋意見的基礎上,不斷升級改進的輕型篩分過濾設備,在業內保持了技術的先進性,使用的穩定性,及價格的合理性。該機具有物料運行的軌跡長,篩面利用率高等優點,篩分精度高(高達95%),通過調節上、下兩端重錘的相位角,可任意改變物料在篩面上的運動軌跡和擴散的快慢,甚至可以讓物料在篩面上保持長期的圓周運動。根據旋振篩三次元運動對多種篩分特性通過對上下重錘的角度調節,可以對物料進行精篩分、概率篩分等多種篩分作業,廣泛應用于0-400目的干、濕、精細、粗糙、大小比重粉末、顆粒可輕松篩選,0-600目漿態物料可輕松過濾。

脫水蔬菜粉旋振篩采用YZUL立式振動電機作為激振源,通過振動電機上下兩端的偏心重錘將旋轉運動轉變為水平、垂直、傾斜的三次元運動,并傳遞到旋振篩的篩面上;物料通過入料口進入設備內,根據不同物料篩分要求,物料經過1-5層采用不同目數的金屬編織篩網的篩分層,在這個過程中,位于各層的篩網下的清網裝置(橡膠彈跳球)通過頻率振動不斷撞擊篩網,使篩網上層物料能夠順暢的透網篩分,并有效解決了物料堵網問題出現,不同目數的物料通過各層對應目數的篩網后在各層的出料口排出,終實現篩選除雜或過濾分級的目的。

DH系列脫水蔬菜粉旋振篩型號齊全,篩機主要材質分為SUS304不銹鋼材質或Q235A碳鋼材質兩種,大小直徑可從400至1500mm的1-5層的不同型號篩機,還可根據用戶需要設計為加緣式旋振篩、閘門式旋振篩、塑料旋振篩、風冷式旋振篩等特殊型號,更可以根據物料特性不同、環境差別、篩分目標不一、場地限制、生產線配置等條件專業為所需用戶設計生產鈦材旋振篩、全不銹鋼旋振篩等等非標產品。


1、技術成熟,質量可靠,穩定性高,運行成本低;
2、篩分精度高、效率高,適用篩分過濾各種粉末、顆粒、粘液等物料;
3、設計精巧耐用,噪音低,可連續作業;

4、體積小,不占空間,移動方便;
5、可多層同時使用,高可達5層;
6、換網容易,操作簡單,清洗方便。換網只需3-5分鐘;
7、篩網不堵塞,無粉塵溢散,可篩0-400目或0.028mm;
8、粗料、雜質自動排出,出料口方向可360°方向任意調節改變。
脫水蔬菜粉旋振篩是一種通用的旋振篩分、過濾設備,在粉體、小顆粒以及液體物料都有著良好的應用。本公司生產的DH系列脫水蔬菜粉旋振篩是在多年生產經驗和結合客戶篩分實際情況的基礎上,并借鑒了日本、德國等國同類產品的技術特點和綜合了國內國情而研制成功的一種篩分設備。廣泛適用于化工、醫藥、糧食、食品、金屬、冶金、礦業、公害處理等眾多行業的篩選分級過濾生產工藝,以下針對各行業選出一些代表性物料舉例說明脫水蔬菜粉旋振篩適用范圍:

化工醫藥行業:樹脂、涂料、工業藥品、化妝品、油漆、中藥粉等;
糧食食品行業:糖粉、淀粉、食鹽、米粉、奶粉、豆漿、蛋粉、醬油、果汁、小麥、玉米、大豆、花生等;
金屬冶金礦業:鋁粉、鉛粉、銅粉、礦石、合金粉、焊條粉末、二氧化錳、電解銅粉、電磁性材料、研磨粉、耐火材料、高嶺土、石灰、氧化鋁、重質碳酸鈣、石英砂等;
公害處理行業:廢油、廢水、染整廢水、助劑、活性碳等;
新鄉大漢機械機械針對不同用戶物料特性、處理量、篩分目標、場地限制、生產線配置等不同特點的需要,全力以赴為每一位用戶量身打造適合自己使用的旋振篩分設備。
1、保修期內非因操作不當造成需要更換的零配件及設備由我廠負責包修、包換。
2、質量保證期結束后,我廠將繼續免費提供售后服務,不限年份終身服務,僅收取零部件成本費,免收人工費,免收維修費。
為了向您提供完善的售后服務,請將您的寶貴意見、建議及要求反饋給我廠。我們感謝貴單位使用我廠的產品,我廠建立有完整的營銷網絡及完善的售后服務體系,售后服務部已將您購買的產品建立了信息檔案。如果您購買的產品出現質量問題,我們將及時為您提供全方位的服務。
Copyright 2008-2021 旋振篩廠家-新鄉市大漢振動機械有限公司 All Rights Reserved 版權所有
網站備案號:豫ICP備09002479號-33