專業制造碳鋼/不銹鋼旋振篩
—免費提供篩分解決方案—

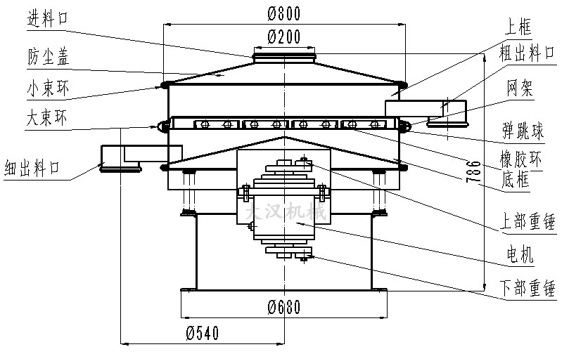
產品介紹: 葡萄糖粉旋振篩采用YZUL立式振動電機作為激振源,通過振動電機上下兩端的偏心重錘將旋轉運動轉變為水平、垂直、傾斜的三次元運動,并傳遞到旋振篩
直徑800mm,電機功率0.55kw
應用范圍:廣泛適用于化工、醫藥、糧食、食品、金屬、冶金、礦業、公害處理等眾多行業的篩選分級過濾生產工藝,以下針對各行業選出一些代表性物料舉例說明葡萄糖旋振篩適用范圍:
電話:0373-2849 333
葡萄糖又稱為玉米葡糖、玉蜀黍糖,甚至簡稱為葡糖,是自然界分布廣且為重要的一種單糖,它是一種多羥基醛。純凈的葡萄糖為無色晶體,有甜味但甜味不如蔗糖,易溶于水,微溶于乙醇,不溶于乙醚。水溶液旋光向右,故亦稱“右旋糖”。葡萄糖在生物學領域具有重要地位,是活細胞的能量來源和新陳代謝中間產物,即生物的主要供能物質。植物可通過光合作用產生葡萄糖。在糖果制造業和醫藥領域有著廣泛應用。

葡萄糖粉旋振篩是"大漢"DH系列旋振篩產品,經客戶多年使用,獲得大量的一線反饋建議,在自有成熟的篩機制造技術基礎上,大漢機械工程師以滿足客戶需求為標準,多次技術改進,篩分效果更加優越,采用"通用"動力激振器,三維動力更加突出,適用范圍更加廣泛,大漢機械公司可根據客戶需求設計特殊型號我公司技術部門總結業內旋振篩設備先進工藝及廣泛汲取用戶反饋意見的基礎上,不斷升級改進的輕型篩分過濾設備,在業內保持了技術的先進性,使用的穩定性,及價格的合理性。該機具有物料運行的軌跡長,篩面利用率高等優點,篩分精度高(高達95%),通過調節上、下兩端重錘的相位角,可任意改變物料在篩面上的運動軌跡和擴散的快慢,甚至可以讓物料在篩面上保持長期的圓周運動。根據旋振篩三次元運動對多種篩分特性通過對上下重錘的角度調節,可以對物料進行精篩分、概率篩分等多種篩分作業,廣泛應用于0-400目的干、濕、精細、粗糙、大小比重粉末、顆粒可輕松篩選,0-600目漿態物料可輕松過濾。葡萄糖粉旋振篩多采用SUS304不銹鋼或Q235A碳鋼作為主要材質。

葡萄糖粉旋振篩采用YZUL立式振動電機作為激振源,通過振動電機上下兩端的偏心重錘將旋轉運動轉變為水平、垂直、傾斜的三次元運動,并傳遞到旋振篩的篩面上;物料通過入料口進入設備內,根據不同物料篩分要求,物料經過1-5層采用不同目數的金屬編織篩網的篩分層,在這個過程中,位于各層的篩網下的清網裝置(橡膠彈跳球)通過頻率振動不斷撞擊篩網,使篩網上層物料能夠順暢的透網篩分,并有效解決了物料堵網問題出現,不同目數的物料通過各層對應目數的篩網后在各層的出料口排出,終實現篩選除雜或過濾分級的目的。

DH系列葡萄糖粉旋振篩型號齊全,篩機主要材質分為SUS304不銹鋼材質或Q235A碳鋼材質兩種,大小直徑可從400至1800mm的1-5層的不同型號篩機,還可根據用戶需要設計為加緣式旋振篩、閘門式旋振篩、塑料旋振篩、風冷式旋振篩等特殊型號,更可以根據物料特性不同、環境差別、篩分目標不一、場地限制、生產線配置等條件專業為所需用戶設計生產鈦材旋振篩、全不銹鋼旋振篩等等非標產品。


1、技術成熟,質量可靠,穩定性高,運行成本低;
2、篩分精度高、效率高,適用篩分過濾各種粉末、顆粒、粘液等物料;
3、設計精巧耐用,噪音低,可連續作業;
4、體積小,不占空間,移動方便;

5、可多層同時使用,高可達5層;
6、換網容易,操作簡單,清洗方便。換網只需3-5分鐘;
7、篩網不堵塞,無粉塵溢散,可篩0-400目或0.028mm;
8、粗料、雜質自動排出,出料口方向可360°方向任意調節改變。

葡萄糖粉旋振篩是一種通用的旋振篩分、過濾設備,在粉體、小顆粒以及液體物料都有著良好的應用。本公司生產的XZS系列葡萄糖粉旋振篩是在多年生產經驗和結合客戶篩分實際情況的基礎上,并借鑒了日本、德國等國同類產品的技術特點和綜合了國內國情而研制成功的一種篩分設備。廣泛適用于化工、醫藥、糧食、食品、金屬、冶金、礦業、公害處理等眾多行業的篩選分級過濾生產工藝,以下針對各行業選出一些代表性物料舉例說明葡萄糖旋振篩適用范圍:

化工醫藥行業:樹脂、涂料、工業藥品、化妝品、油漆、中藥粉等;
糧食食品行業:糖粉、淀粉、食鹽、米粉、奶粉、豆漿、蛋粉、醬油、果汁、小麥、玉米、大豆、花生等;
金屬冶金礦業:鋁粉、鉛粉、銅粉、礦石、合金粉、焊條粉末、二氧化錳、電解銅粉、電磁性材料、研磨粉、耐火材料、高嶺土、石灰、氧化鋁、重質碳酸鈣、石英砂等;
公害處理行業:廢油、廢水、染整廢水、助劑、活性碳等;
新鄉大漢機械針對不同用戶物料特性、處理量、篩分目標、場地限制、生產線配置等不同特點的需要,全力以赴為每一位用戶量身打造適合自己使用的旋振篩分設備。
Copyright 2008-2021 旋振篩廠家-新鄉市大漢振動機械有限公司 All Rights Reserved 版權所有
網站備案號:豫ICP備09002479號-33